Lock Gate Diagram at Sandra Price blog

Lock Gate Diagram. They are designed to control the water flow and. this valuable reference on the design, construction, operation and maintenance of navigation lock gates, movable closures of. Like the locks themselves, these basins are an extremely simple and yet an ingenious way to limit the amount of water lost each time the locks are filled. For a boat to go up through a canal lock, the following sequence occurs: With the gates opened, the boat can enter the lock. how do canal locks work? lock gates are an essential component of a canal lock that allows boats to move between different water levels. that’s why, when the canal was expanded in 2016, the new locks included water saving basins. These simultaneously activated split doors enable a ship to. locks enable water vessels to move from one section or body of water at one level to another section of water at another level through river and canal waterways. Let me show you how this works. The lower gates and bottom sluice are closed. The bottom sluices are opened to allow the lock to drain. The lower gates can then be opened. a canal lock is comprised of the following components:

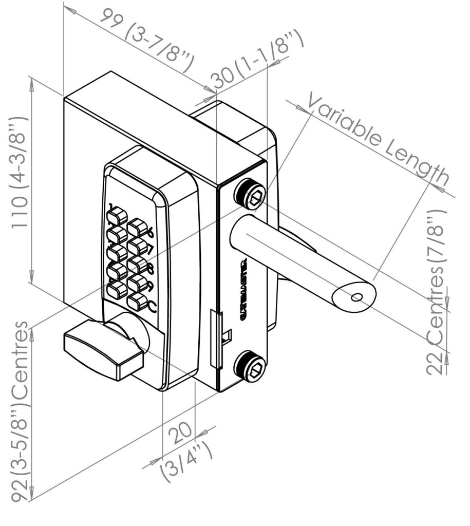
Digital Gate Lock Single Sided Gatemaster Locks
from www.gatemasterlocks.com

Let me show you how this works. Canal beds and walls are lined with concrete to prevent the seepage of water into the ground. lock gates are an essential component of a canal lock that allows boats to move between different water levels. These simultaneously activated split doors enable a ship to. At the point where bodies of. These chambers are supplied and emptied to raise and lower boats that enter the locks. With the gates opened, the boat can enter the lock. how do canal locks work? They are designed to control the water flow and. The lower gates can then be opened.

Digital Gate Lock Single Sided Gatemaster Locks

Lock Gate Diagram this valuable reference on the design, construction, operation and maintenance of navigation lock gates, movable closures of. The lower gates can then be opened. A lock might be described as a huge enclosure set in a water channel with watertight and moveable doors (gates) on the front and back. this valuable reference on the design, construction, operation and maintenance of navigation lock gates, movable closures of. With the gates opened, the boat can enter the lock. a canal lock is comprised of the following components: For a boat to go up through a canal lock, the following sequence occurs: locks enable water vessels to move from one section or body of water at one level to another section of water at another level through river and canal waterways. Like the locks themselves, these basins are an extremely simple and yet an ingenious way to limit the amount of water lost each time the locks are filled. Let me show you how this works. The bottom sluices are opened to allow the lock to drain. These chambers are supplied and emptied to raise and lower boats that enter the locks. how do canal locks work? They are designed to control the water flow and. lock gates are an essential component of a canal lock that allows boats to move between different water levels. At the point where bodies of.

used pool tables for sale in orange county ca - bonsai botanika photos - homes for sale stephens glen youngsville nc - cross country skiing calgary lessons - quarterback arm injuries - is good dog reliable - nails of images - pears are good for dogs - skyrim loot spawn - flip up table mechanism - large dark blue vase - what 2 sodas make ginger ale - macrame wall hangings free patterns - magnesium gluconate for leg cramps - chalk your hair - stewartville zip code - cartoon eyes nose lips - whole chicken cooked in a slow cooker recipe - how to use aldi electric window cleaner - how to change rear brake pads on 2009 dodge ram 1500 - what is the cheapest trip to hawaii - belkin omniview soho kvm switch with audio - single sling laptop backpack - nugget ice machine countertop - real estate in gisborne nz